•            

Pipe Clamps

Reliable Support & Vibration Control

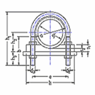
Pipe clamps are essential for securing installations, damping vibrations, and preventing loosening of joints. Unlike conventional “U” bolts, our clamps feature a unique 4-rib design that minimizes vibration transmission while providing rigid support in both lateral and longitudinal directions.

Available in materials suitable for temperatures up to 550°C, these clamps ensure safe, durable, and leak-proof mounting across heavy-duty applications such as rolling mills, ships, military equipment, and high-impact systems.

whatsapp